We will always make an effort to be a company which gives Trust & Love as well as growth with our clients.

Copper & Copper-Nickel Pipes, Fittings & Flanges
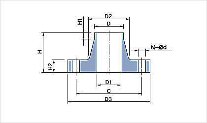
Copper Nickel(Cu-Ni) Flange
COMPOSITE BLIND FLANGES
- 10bar
-
- MATERIAL
- CARBON STEEL (Galvanized)
with Cu-Ni 90/10 or Cu-Ni 70/30
-
- DIMENSION
- ISO NP10

| Outside diameter |
|
Drilling |
Weight |
| of pipe |
of Bolt-Hole |
| Nominal |
Actual |
D2 |
T |
D1 |
C |
N |
Φd |
(Kg) |
| (Inch) |
(mm) |
(mm) |
(mm) |
(mm) |
(mm) |
(mm) |
| 1/2 |
20.0 |
95 |
14 |
46 |
65 |
4 |
14 |
0.7 |
| 3/4 |
25.0 |
105 |
16 |
56 |
75 |
4 |
14 |
1.0 |
| 1 |
30.0 |
115 |
16 |
65 |
85 |
4 |
14 |
1.2 |
| 1 1/4 |
38.0 |
140 |
18 |
76 |
100 |
4 |
18 |
2.1 |
| 1 1/2 |
44.5 |
150 |
18 |
84 |
110 |
4 |
18 |
2.4 |
| 2 |
57.0 |
165 |
20 |
99 |
125 |
4 |
18 |
3.2 |
| 2 1/2 |
76.1 |
185 |
20 |
118 |
145 |
4 |
18 |
4.1 |
| 3 |
88.9 |
200 |
20 |
132 |
160 |
8 |
18 |
4.8 |
| 4 |
108.0 |
220 |
22 |
156 |
180 |
8 |
18 |
7.6 |
| 5 |
133.0 |
250 |
22 |
184 |
210 |
8 |
18 |
9.8 |
| 6 |
159.0 |
285 |
24 |
211 |
240 |
8 |
22 |
12.0 |
| 8 |
219.1 |
340 |
24 |
266 |
295 |
8 |
22 |
17.3 |
| 10 |
267.0 |
395 |
26 |
319 |
350 |
12 |
22 |
25.5 |
| 12 |
323.9 |
445 |
26 |
370 |
400 |
12 |
22 |
32.5 |
| 14 |
368.0 |
505 |
26 |
429 |
460 |
16 |
22 |
42.0 |
| 16 |
419.0 |
565 |
28 |
480 |
515 |
16 |
26 |
56.7 |
| 18 |
457.2 |
615 |
28 |
530 |
565 |
20 |
26 |
67.4 |
| 20 |
508.0 |
670 |
30 |
582 |
620 |
20 |
26 |
85.9 |
| 24 |
610.0 |
780 |
34 |
682 |
725 |
20 |
30 |
132.4 |
COMPOSITE BLIND FLANGES
- 150Lbs
-
- MATERIAL
- CARBON STEEL (Galvanized)
with Cu-Ni 90/10 or Cu-Ni 70/30
-
- DIMENSION
- ASME B16.5

| Outside diameter |
|
Drilling |
Weight |
| of pipe |
of Bolt-Hole |
| Nominal |
Actual |
D2 |
T |
D1 |
C |
N |
Φd |
(Kg) |
| (Inch) |
(mm) |
(mm) |
(mm) |
(mm) |
(mm) |
(mm) |
| 1/2 |
20.0 |
88.9 |
12.7 |
35.1 |
60.3 |
4 |
15.9 |
0.5 |
| 3/4 |
25.0 |
98.6 |
14.3 |
42.9 |
69.9 |
0.7 |
| 1 |
30.0 |
107.9 |
15.9 |
50.8 |
79.4 |
1.0 |
| 1 1/4 |
38.0 |
117.5 |
17.5 |
63.5 |
88.9 |
1.4 |
| 1 1/2 |
44.5 |
127 |
19.1 |
73.0 |
98.4 |
1.8 |
| 2 |
57.0 |
152.4 |
20.7 |
92.1 |
120.6 |
19.1 |
2.8 |
| 2 1/2 |
76.1 |
177.8 |
23.8 |
104.8 |
139.7 |
4.5 |
| 3 |
88.9 |
190.5 |
25.4 |
127.0 |
152.4 |
5.6 |
| 4 |
108.0 |
228.6 |
157.2 |
190.5 |
8 |
8.1 |
| 5 |
133.0 |
254 |
185.7 |
215.9 |
22.2 |
10.1 |
| 6 |
159.0 |
279.4 |
27.0 |
215.9 |
241.3 |
13.1 |
| 8 |
219.1 |
342.9 |
30.2 |
269.9 |
298.4 |
22.3 |
| 10 |
267.0 |
406.4 |
31.8 |
323.8 |
362.0 |
12 |
25.4 |
33.1 |
| 12 |
323.9 |
482.6 |
33.4 |
381.0 |
431.8 |
49.0 |
| 14 |
368.0 |
533.4 |
36.5 |
412.8 |
476.2 |
28.6 |
65.4 |
| 16 |
419.0 |
596.9 |
38.1 |
469.9 |
539.8 |
16 |
85.8 |
| 18 |
457.2 |
635 |
41.3 |
533.4 |
577.9 |
31.8 |
106.2 |
| 20 |
508.0 |
698.5 |
44.5 |
584.2 |
635.0 |
20 |
138.5 |
| 24 |
610.0 |
812.8 |
49.2 |
692.1 |
749.3 |
34.9 |
208.1 |
COMPOSITE BLIND FLANGES
- 300Lbs
-
- MATERIAL
- CARBON STEEL (Galvanized)
with Cu-Ni 90/10 or Cu-Ni 70/30
-
- DIMENSION
- ASME B16.5

| Outside diameter |
|
Drilling |
Weight |
| of pipe |
of Bolt-Hole |
| Nominal |
Actual |
D2 |
T |
D1 |
C |
N |
Φd |
(Kg) |
| (Inch) |
(mm) |
(mm) |
(mm) |
(mm) |
(mm) |
(mm) |
| 1/2 |
16.0 |
95.2 |
25.9 |
35.1 |
66.7 |
4 |
15.9 |
1.4 |
| 3/4 |
25.0 |
117.5 |
17.5 |
42.9 |
82.6 |
19.1 |
1.4 |
| 1 |
30.0 |
123.8 |
19.1 |
50.8 |
88.9 |
1.6 |
| 1 1/4 |
38.0 |
133.3 |
20.6 |
63.5 |
98.4 |
2.1 |
| 1 1/2 |
44.5 |
155.6 |
22.2 |
73.0 |
114.3 |
22.2 |
3.1 |
| 2 |
57.0 |
165.1 |
23.8 |
92.1 |
127.0 |
8 |
19.1 |
3.8 |
| 2 1/2 |
76.1 |
190.5 |
27.0 |
104.8 |
149.2 |
22.2 |
5.9 |
| 3 |
88.9 |
209.5 |
30.2 |
127.0 |
168.3 |
8.1 |
| 4 |
108.0 |
254.0 |
33.4 |
157.2 |
200.0 |
13.2 |
| 5 |
133.0 |
279.4 |
36.5 |
185.7 |
235.0 |
17.7 |
| 6 |
159.0 |
317.5 |
38.1 |
215.9 |
269.9 |
12 |
23.9 |
| 8 |
219.1 |
381.0 |
42.9 |
269.9 |
330.2 |
25.4 |
39.1 |
| 10 |
267.0 |
444.5 |
49.2 |
323.8 |
387.4 |
16 |
28.6 |
61.3 |
| 12 |
323.9 |
520.7 |
52.4 |
381.0 |
450.8 |
31.7 |
89.8 |
| 14 |
368.0 |
584.2 |
55.6 |
412.8 |
514.4 |
20 |
119.8 |
| 16 |
419.0 |
647.7 |
58.8 |
469.9 |
571.5 |
34.9 |
156.2 |
| 18 |
457.2 |
711.2 |
61.9 |
533.4 |
628.6 |
24 |
198.9 |
| 20 |
508.0 |
774.7 |
65.1 |
584.2 |
685.8 |
248.5 |
| 24 |
610.0 |
914.4 |
71.4 |
692.1 |
812.8 |
41.3 |
380.4 |
COMPOSITE SLIP ON FLANGES (STUB END)
- 20Bar
-
- MATERIAL
- Internal : Cu-Ni 90/10, Cu-Ni 70/30
-
- DIMENSION
- Internal : Based on EEMUA Pub. No.145

* These Internal Flanges are for use in goth 16bar abd 20bar systems.
| N.D |
O.D |
D1 |
D2 |
D3 |
H |
H1 |
R |
Weight |
| d |
| Inch |
(mm) |
(mm) |
(mm) |
(mm) |
(mm) |
(mm) |
(mm) |
(Kg) |
| 1/2 |
16.0 |
16.07 |
21 |
40 |
16 |
5 |
1 |
0.06 |
| 3/4 |
25.0 |
25.08 |
31 |
53 |
0.10 |
| 1 |
30.0 |
30.08 |
36 |
60 |
18 |
0.14 |
| 1.1/4 |
38.0 |
38.10 |
45 |
70 |
0.18 |
| 1.1/2 |
44.5 |
44.60 |
51 |
80 |
19 |
0.22 |
| 2 |
57.0 |
57.23 |
67 |
99 |
6 |
0.39 |
| 2.1/2 |
76.1 |
76.33 |
87 |
120 |
0.53 |
| 3 |
88.9 |
89.18 |
100 |
130 |
21 |
7 |
0.65 |
| 4 |
108.0 |
108.38 |
120 |
158 |
23 |
0.95 |
| * These Internal Flanges are for use in goth 16bar abd 20bar systems. |
COMPOSITE SLIP ON FLANGES (EXTERNAL)
- 150Lbs
-
- MATERIAL
- External : Carbon Steel A105 (Galvanized)
-
- DIMENSION
- External : Based on EEMUA Pub. No.145

| N.D |
O.D |
D2 |
D1 |
T |
T1 |
Bolt – Hole |
Weight |
| d |
C |
N |
d |
| Inch |
(mm) |
(mm) |
(mm) |
(mm) |
(mm) |
(mm) |
(mm) |
(Kg) |
| 1/2 |
16.0 |
89 |
23 |
14 |
3 |
60.3 |
4 |
15.9 |
0.60 |
| 3/4 |
25.0 |
98 |
33 |
69.9 |
0.80 |
| 1 |
30.0 |
108 |
38 |
79.4 |
0.90 |
| 1.1/4 |
38.0 |
117 |
47 |
88.9 |
1.00 |
| 1.1/2 |
44.5 |
127 |
53 |
98.4 |
1.20 |
| 2 |
57.0 |
152 |
69 |
18 |
120.6 |
19.1 |
2.10 |
| 2.1/2 |
76.1 |
178 |
89 |
139.7 |
2.70 |
| 3 |
88.9 |
190 |
103 |
19 |
152.4 |
3.10 |
| 4 |
108.0 |
229 |
123 |
24 |
190.5 |
8 |
5.60 |
COMPOSITE SLIP ON FLANGES
- 10bar and 16bar
-
- MATERIAL
-
- Internal : Cu-Ni 90/10, Cu-Ni 70/30
- External : Carbon Steel (A105 Galvanized)
-
- DIMENSION
-
- Internal : Based on BS4501
- External : Based on DIN 2567(10bar)/2543(16bar)

| DIN 10B |
PIPE |
Internal Flange |
External Flange |
Bolt-Hole |
Weight |
| O.D |
d |
D2 |
D4 |
T |
T1 |
D |
D1 |
D3 |
C |
t |
t1 |
N |
H |
| N.D |
(mm) |
(mm) |
(mm) |
(mm) |
(mm) |
(mm) |
(mm) |
(mm) |
(mm) |
(mm) |
(mm) |
(mm) |
(mm) |
(Kg) |
| 50 |
57.0 |
Use DIN 16Bar |
| 65 |
76.1 |
| 80 |
88.9 |
| 100 |
108.0 |
| 125 |
133.0 |
| 150 |
159.0 |
| 200 |
219.1 |
220.0 |
251 |
234 |
24 |
10 |
340 |
253 |
237 |
295 |
24 |
16 |
8 |
23 |
10.00 |
| 250 |
267.0 |
268.0 |
313 |
282 |
28 |
12 |
395 |
316 |
285 |
350 |
26 |
16 |
12 |
23 |
12.78 |
| 300 |
323.9 |
325.1 |
361 |
342 |
32 |
12 |
445 |
364 |
345 |
400 |
26 |
16 |
12 |
23 |
15.04 |
| 350 |
368.0 |
369.2 |
405 |
386 |
34 |
12 |
505 |
408 |
389 |
460 |
28 |
18 |
16 |
23 |
21.01 |
| 400 |
419.0 |
420.2 |
460 |
439 |
36 |
12 |
565 |
464 |
443 |
515 |
32 |
22 |
16 |
27 |
28.49 |
| 500 |
508.0 |
509.3 |
568 |
531 |
40 |
14 |
670 |
572 |
535 |
620 |
38 |
26 |
20 |
27 |
42.64 |
| 600 |
610.0 |
611.5 |
678 |
635 |
42 |
15 |
780 |
682 |
639 |
725 |
38 |
25 |
20 |
30 |
52.05 |
| DIN 16B |
PIPE |
Internal Flange |
External Flange |
Bolt-Hole |
Weight |
| O.D |
d |
D2 |
D4 |
T |
T1 |
D |
D1 |
D3 |
C |
t |
t1 |
N |
H |
| N.D |
(mm) |
(mm) |
(mm) |
(mm) |
(mm) |
(mm) |
(mm) |
(mm) |
(mm) |
(mm) |
(mm) |
(mm) |
(mm) |
(Kg) |
| 50 |
57.0 |
57.3 |
84 |
67 |
20 |
7 |
165 |
86 |
69 |
125 |
18 |
12 |
4 |
18 |
2.70 |
| 65 |
76.1 |
76.4 |
109 |
86 |
20 |
7 |
185 |
111 |
88 |
145 |
18 |
12 |
4 |
18 |
3.12 |
| 80 |
88.9 |
89.4 |
120 |
101 |
20 |
8 |
200 |
122 |
103 |
160 |
20 |
14 |
8 |
18 |
3.97 |
| 100 |
108.0 |
108.5 |
140 |
121 |
22 |
10 |
220 |
142 |
123 |
180 |
20 |
12 |
8 |
18 |
4.51 |
| 125 |
133.0 |
133.7 |
175 |
146 |
22 |
10 |
250 |
177 |
148 |
210 |
22 |
14 |
8 |
18 |
5.81 |
| 150 |
159.0 |
159.7 |
205 |
173 |
24 |
10 |
285 |
207 |
175 |
240 |
22 |
14 |
8 |
23 |
7.24 |
| 200 |
219.1 |
220.0 |
251 |
234 |
24 |
10 |
340 |
253 |
237 |
295 |
24 |
16 |
12 |
23 |
10.00 |
| 250 |
267.0 |
268.0 |
313 |
282 |
28 |
12 |
405 |
316 |
285 |
355 |
26 |
16 |
12 |
27 |
14.14 |
| 300 |
323.9 |
325.1 |
361 |
342 |
32 |
12 |
460 |
364 |
345 |
410 |
28 |
18 |
12 |
27 |
18.61 |
| 350 |
368.0 |
369.2 |
405 |
386 |
34 |
12 |
520 |
408 |
389 |
470 |
30 |
20 |
16 |
27 |
25.43 |
| 400 |
419.0 |
420.2 |
460 |
439 |
36 |
12 |
580 |
464 |
443 |
525 |
32 |
22 |
16 |
30 |
32.13 |
| 500 |
508.0 |
509.3 |
568 |
531 |
40 |
14 |
715 |
572 |
535 |
650 |
36 |
24 |
20 |
33 |
55.36 |
| 600 |
610.0 |
611.5 |
678 |
635 |
42 |
15 |
840 |
682 |
639 |
770 |
40 |
27 |
20 |
36 |
80.52 |
COMPOSITE SLIP ON FLANGES
-
- MATERIAL
-
- Internal : Cu-Ni 90/10, Cu-Ni 70/30
- External : Carbon Steel SS400 (Galvanized)
-
- DIMENSION
-
- Internal : Based on JIS F7804
- External : Based on JIS B2210

| JIS 5K |
PIPE |
Internal Flange |
External Flange |
Bolt-Hole |
Weight |
| O.D |
d |
D2 |
D4 |
T |
T1 |
D |
D1 |
D3 |
C |
t |
t1 |
N |
H |
| N.D |
(mm) |
(mm) |
(mm) |
(mm) |
(mm) |
(mm) |
(mm) |
(mm) |
(mm) |
(mm) |
(mm) |
(mm) |
(mm) |
(Kg) |
| 50 |
57.0 |
57.3 |
84 |
67 |
20 |
7 |
130 |
86 |
70 |
105 |
14 |
8 |
4 |
15 |
1.24 |
| 65 |
76.1 |
76.4 |
109 |
86 |
20 |
7 |
155 |
111 |
89 |
130 |
14 |
8 |
4 |
15 |
1.71 |
| 80 |
88.9 |
89.2 |
120 |
101 |
20 |
8 |
180 |
122 |
104 |
145 |
16 |
10 |
4 |
19 |
2.57 |
| 100 |
108.0 |
108.5 |
140 |
121 |
22 |
10 |
200 |
142 |
124 |
165 |
18 |
10 |
4 |
19 |
3.19 |
| 125 |
133.0 |
133.5 |
175 |
146 |
22 |
10 |
235 |
177 |
150 |
200 |
18 |
10 |
4 |
19 |
4.35 |
| 150 |
159.0 |
159.5 |
205 |
173 |
24 |
10 |
265 |
209 |
177 |
230 |
20 |
12 |
4 |
19 |
5.88 |
| 200 |
219.1 |
219.6 |
251 |
234 |
24 |
10 |
320 |
255 |
238 |
280 |
20 |
12 |
4 |
23 |
6.9 |
| 250 |
267.0 |
267.5 |
313 |
282 |
28 |
12 |
385 |
317 |
286 |
345 |
24 |
14 |
12 |
23 |
11.73 |
| 300 |
323.9 |
324.6 |
361 |
342 |
32 |
12 |
430 |
365 |
346 |
390 |
26 |
16 |
12 |
23 |
13.32 |
| 350 |
368.0 |
368.7 |
405 |
386 |
34 |
12 |
480 |
409 |
390 |
435 |
28 |
18 |
12 |
25 |
16.92 |
| 400 |
419.1 |
419.8 |
460 |
439 |
36 |
12 |
540 |
464 |
444 |
495 |
30 |
20 |
16 |
25 |
21.82 |
| 450 |
457.2 |
457.9 |
518 |
477 |
38 |
14 |
605 |
522 |
482 |
555 |
32 |
20 |
16 |
25 |
32.54 |
| 500 |
508.0 |
508.7 |
568 |
531 |
40 |
14 |
655 |
572 |
537 |
605 |
34 |
22 |
20 |
25 |
37.08 |
| 550 |
558.0 |
558.7 |
628 |
581 |
42 |
15 |
720 |
632 |
587 |
665 |
38 |
25 |
20 |
27 |
49.87 |
| 600 |
610.0 |
611.0 |
678 |
635 |
42 |
15 |
770 |
682 |
641 |
715 |
38 |
25 |
20 |
27 |
53.37 |
| 700 |
711.0 |
712.0 |
782 |
736 |
42 |
15 |
875 |
786 |
744 |
820 |
38 |
25 |
24 |
27 |
62.13 |
| 800 |
812.8 |
814.1 |
887 |
841 |
46 |
18 |
995 |
891 |
849 |
930 |
38 |
24 |
24 |
33 |
80.4 |
| 900 |
914.0 |
915.5 |
987 |
944 |
46 |
18 |
1095 |
991 |
952 |
1,030 |
40 |
26 |
24 |
33 |
89.46 |
| JIS 10K |
PIPE |
Internal Flange |
External Flange |
Bolt-Hole |
Weight |
| O.D |
d |
D2 |
D4 |
T |
T1 |
D |
D1 |
D3 |
C |
t |
t1 |
N |
H |
| N.D |
(mm) |
(mm) |
(mm) |
(mm) |
(mm) |
(mm) |
(mm) |
(mm) |
(mm) |
(mm) |
(mm) |
(mm) |
(mm) |
(Kg) |
| 50 |
57.0 |
57.3 |
84 |
67 |
20 |
7 |
155 |
87 |
70 |
120 |
14 |
8 |
4 |
19 |
1.86 |
| 65 |
76.1 |
76.4 |
109 |
86 |
20 |
7 |
175 |
112 |
89 |
140 |
14 |
8 |
4 |
19 |
2.27 |
| 80 |
88.9 |
89.2 |
120 |
101 |
20 |
8 |
185 |
123 |
104 |
150 |
16 |
10 |
8 |
19 |
2.61 |
| 100 |
108.0 |
108.5 |
140 |
121 |
22 |
10 |
210 |
143 |
124 |
175 |
18 |
10 |
8 |
19 |
3.68 |
| 125 |
133.0 |
133.5 |
175 |
146 |
22 |
10 |
250 |
179 |
150 |
210 |
18 |
10 |
8 |
23 |
5.07 |
| 150 |
159.0 |
159.5 |
205 |
173 |
24 |
10 |
280 |
209 |
177 |
240 |
20 |
12 |
8 |
23 |
6.78 |
| 200 |
219.1 |
219.6 |
251 |
234 |
24 |
10 |
330 |
255 |
238 |
290 |
20 |
12 |
12 |
23 |
7.48 |
| 250 |
267.0 |
267.5 |
313 |
282 |
28 |
12 |
400 |
317 |
286 |
355 |
24 |
14 |
12 |
25 |
13.42 |
| 300 |
323.9 |
324.6 |
361 |
342 |
32 |
12 |
445 |
365 |
346 |
400 |
26 |
16 |
16 |
25 |
14.96 |
| 350 |
368.0 |
368.7 |
405 |
386 |
34 |
12 |
490 |
409 |
390 |
445 |
28 |
18 |
16 |
25 |
18.26 |
| 400 |
419.1 |
419.8 |
460 |
439 |
36 |
12 |
560 |
465 |
444 |
510 |
30 |
20 |
16 |
27 |
25.88 |
| 450 |
457.2 |
457.9 |
518 |
477 |
38 |
14 |
620 |
523 |
482 |
565 |
32 |
20 |
20 |
27 |
35.48 |
| 500 |
508.0 |
508.7 |
568 |
531 |
40 |
14 |
675 |
574 |
537 |
620 |
34 |
22 |
20 |
27 |
42.62 |
| 550 |
558.0 |
558.7 |
628 |
581 |
42 |
15 |
745 |
634 |
587 |
680 |
38 |
25 |
20 |
33 |
57.32 |
| 600 |
610.0 |
611.0 |
678 |
635 |
42 |
15 |
795 |
684 |
641 |
730 |
38 |
25 |
24 |
33 |
60.34 |
| 700 |
711.0 |
712.0 |
782 |
736 |
42 |
15 |
905 |
790 |
744 |
840 |
38 |
25 |
24 |
33 |
73.45 |
| 800 |
812.8 |
814.1 |
887 |
841 |
46 |
18 |
1020 |
895 |
849 |
950 |
38 |
24 |
28 |
33 |
92.04 |
|
|
914.0 |
915.5 |
987 |
944 |
46 |
18 |
1,120 |
|
|
1,050 |
40 |
26 |
28 |
33 |
102.36 |
COMPOSITE WELDING NECK FLANGES
- 10bar and 14bar
-
- MATERIAL
-
- Internal : Cu-Ni 90/10, Cu-Ni 70/30
- External : Carbon Steel (A105 Galvanized)
-
- DIMENSION
- DIN 86037

| N.D |
O.D |
Internal Flange |
External Flange |
Bolt-Hole |
Weight |
| d |
d1 |
d2 |
t |
t1 |
S |
D |
D1 |
T |
C |
N |
H |
| Inch |
(mm) |
(mm) |
(mm) |
(mm) |
(mm) |
(mm) |
(mm) |
(mm) |
(mm) |
(mm) |
|
(mm) |
(Kg) |
| 3/4 |
25 |
58 |
27 |
5 |
40 |
1.5 |
105 |
28 |
14 |
75 |
4 |
14 |
0.97 |
| 1 |
30 |
68 |
32 |
115 |
33 |
16 |
85 |
1.34 |
| 1 1/4 |
38 |
78 |
40 |
140 |
42 |
100 |
18 |
1.91 |
| 1 1/2 |
44.5 |
88 |
46.5 |
6 |
45 |
150 |
50 |
110 |
2.27 |
| 2 |
57 |
102 |
59 |
165 |
62 |
125 |
2.73 |
| 2 1/2 |
76.1 |
122 |
78 |
2.0 |
185 |
81 |
145 |
3.29 |
| 3 |
88.9 |
138 |
91 |
7 |
50 |
2.0 |
200 |
94 |
18 |
160 |
8 |
4.16 |
|
|
4.20 |
| 4 |
108 |
158 |
110 |
2.5 |
220 |
113 |
180 |
4.75 |
| 5 |
133 |
188 |
135.5 |
2.5 |
250 |
138 |
210 |
6.05 |
|
|
6.10 |
| 6 |
159 |
212 |
161.5 |
9 |
2.5 |
285 |
164 |
240 |
22 |
7.60 |
|
|
7.70 |
| 8 |
219.1 |
268 |
222 |
2.5 |
340 |
225 |
20 |
295 |
10.15 |
|
|
10.35 |
| 10 |
267 |
320 |
270 |
3.0 |
395 |
273 |
22 |
350 |
12 |
13.70 |
|
|
14.10 |
| 12 |
323.9 |
370 |
327 |
11 |
4.0 |
445 |
331 |
24 |
400 |
16.60 |
|
|
17.40 |
| 14 |
368 |
430 |
371 |
5.5 |
505 |
375 |
460 |
16 |
22.20 |
|
|
22.95 |
| 16 |
419.1 |
482 |
422 |
12 |
4.0 |
565 |
426 |
26 |
515 |
26 |
27.50 |
|
|
28.65 |
| 18 |
457.2 |
530 |
460 |
4.0 |
615 |
465 |
28 |
565 |
20 |
34.00 |
|
|
35.15 |
| 20 |
508 |
585 |
511 |
4.5 |
670 |
517 |
30 |
620 |
41.65 |
|
|
42.90 |
| 24 |
610 |
685 |
613 |
5.0 |
780 |
618 |
32 |
725 |
30 |
54.90 |
| 14 |
60 |
|
57.65 |
COMPOSITE WELDING NECK FLANGES (SHORT TYPE)
- 16bar and 20bar
-
- MATERIAL
-
- Internal : Cu-Ni 90/10, Cu-Ni 70/30
- External : Carbon Steel (A105 Galvanized)
-
- DIMENSION
-
- Internal : EEMUA Pub. No. 145
- External : ASME B16.5 150LB

| N.D |
O.D |
Internal Flange |
External Flange |
Bolt-Hole |
Weight |
| d |
d1 |
d2 |
t |
t1 |
S |
D |
D1 |
T |
C |
N |
H |
| Inch |
(mm) |
(mm) |
(mm) |
(mm) |
(mm) |
(mm) |
(mm) |
(mm) |
(mm) |
(mm) |
|
(mm) |
(Kg) |
| *1/2 |
16 |
40 |
18 |
4 |
35 |
2.0 |
88.9 |
21 |
11.1 |
60.3 |
4 |
15.9 |
0.85 |
| *3/4 |
25 |
50 |
27 |
5 |
40 |
98.4 |
30 |
12.7 |
69.9 |
1.04 |
| *1 |
30 |
60 |
32 |
2.5 |
107.9 |
35 |
14.3 |
79.4 |
1.18 |
| *1 1/4 |
38 |
70 |
40 |
117.5 |
43 |
15.9 |
88.9 |
1.52 |
| *1 1/2 |
44.5 |
80 |
46.5 |
6 |
45 |
127 |
49.5 |
17.5 |
98.4 |
1.79 |
| *2 |
57 |
99 |
59 |
152.4 |
62 |
19 |
120.6 |
19.1 |
2.75 |
| *2 1/2 |
76.1 |
120 |
78 |
177.8 |
81 |
22.2 |
139.7 |
3.81 |
| *3 |
88.9 |
130 |
91 |
7 |
50 |
190.5 |
94 |
23.8 |
152.4 |
4.39 |
| *4 |
108 |
158 |
110 |
3.0 |
228.6 |
113 |
190.5 |
8 |
6.96 |
| 6 |
159 |
212 |
161.5 |
9 |
279.4 |
165 |
25.4 |
241.3 |
22.2 |
10.63 |
|
|
10.63 |
| 8 |
219.1 |
270 |
222 |
4.0 |
342.9 |
226 |
28.6 |
298.4 |
16.53 |
|
|
16.63 |
| 10 |
267 |
320 |
270 |
4.5 |
406.4 |
274 |
30.2 |
361.9 |
12 |
25.4 |
23.01 |
|
|
23.31 |
| 12 |
323.9 |
370 |
327 |
11 |
5.5 |
482.6 |
331 |
31.7 |
431.8 |
34.92 |
|
|
35.22 |
| 14 |
368 |
430 |
371 |
6.5 |
533.4 |
375 |
34.9 |
476.2 |
28.6 |
51.55 |
|
|
52.30 |
| 16 |
419.1 |
482 |
422 |
12 |
7.0 |
596.9 |
427 |
36.5 |
539.7 |
16 |
66.04 |
|
|
67.19 |
| 18 |
457.2 |
530 |
460 |
8.0 |
635 |
465 |
39.7 |
577.8 |
31.7 |
76.13 |
|
|
77.08 |
| 20 |
508 |
585 |
511 |
8.5 |
698.5 |
517 |
42.9 |
635 |
20 |
95.72 |
|
|
97.42 |
| 24 |
610 |
685 |
613 |
14 |
60 |
10.5 |
812.8 |
619 |
47.6 |
749.3 |
34.9 |
136.4 |
|
|
138.9 |
| *16bar and 20bar are oneness from 1/2″ to 4″ |
COMPOSITE WELDING NECK FLANGES (SHORT TYPE)
- 16bar and 20bar
-
- MATERIAL
-
- Internal : Cu-Ni 90/10, Cu-Ni 70/30
- External : Carbon Steel (A105 Galvanized)
-
- DIMENSION
-
- Internal : EEMUA Pub. No. 145
- External : ASME B16.5 300LB

| N.D |
O.D |
Internal Flange |
External Flange |
Bolt-Hole |
Weight |
| d |
d1 |
d2 |
t |
t1 |
S |
D |
D1 |
T |
C |
N |
H |
| Inch |
(mm) |
(mm) |
(mm) |
(mm) |
(mm) |
(mm) |
(mm) |
(mm) |
(mm) |
(mm) |
|
(mm) |
(Kg) |
| *1/2 |
16 |
40 |
18 |
4 |
35 |
2.0 |
95.2 |
21 |
14.3 |
66.7 |
4 |
15.9 |
1.25 |
| *3/4 |
25 |
50 |
27 |
5 |
40 |
117.5 |
30 |
15.9 |
82.5 |
19.0 |
1.43 |
| *1 |
30 |
60 |
32 |
2.5 |
123.8 |
35 |
17.5 |
88.9 |
1.57 |
| *1 1/4 |
38 |
70 |
40 |
133.3 |
43 |
19.0 |
98.4 |
2.01 |
| *1 1/2 |
44.5 |
80 |
46.5 |
6 |
45 |
155.6 |
49.5 |
20.6 |
114.3 |
22.2 |
3.07 |
| *2 |
57 |
99 |
59 |
165.1 |
62 |
22.2 |
127 |
8 |
19.0 |
3.64 |
| *2 1/2 |
76.1 |
120 |
78 |
190.5 |
81 |
25.4 |
149.2 |
22.2 |
5.08 |
| *3 |
88.9 |
130 |
91 |
7 |
50 |
209.5 |
94 |
28.6 |
168.3 |
6.64 |
| *4 |
108 |
158 |
110 |
3.0 |
254.0 |
113 |
31.7 |
200 |
10.98 |
| 6 |
159 |
212 |
161.5 |
9 |
317.5 |
165 |
36.5 |
269.9 |
12 |
19.55 |
|
|
19.55 |
| 8 |
219.1 |
270 |
222 |
4.0 |
381.0 |
226 |
41.3 |
330.2 |
25.4 |
28.97 |
|
|
29.07 |
| 10 |
267 |
320 |
270 |
4.5 |
444.5 |
274 |
47.6 |
387.3 |
16 |
28.6 |
44.08 |
|
|
44.38 |
| 12 |
323.9 |
370 |
327 |
11 |
5.5 |
520.7 |
331 |
50.8 |
450.8 |
31.7 |
68.24 |
|
|
68.54 |
| 14 |
368 |
430 |
371 |
6.5 |
584.2 |
375 |
54.0 |
514.3 |
20 |
|
91.73 |
|
|
92.48 |
| 16 |
419.1 |
482 |
422 |
12 |
7.0 |
647.7 |
427 |
57.1 |
571.5 |
34.9 |
116.0 |
|
|
117.2 |
| 18 |
457.2 |
530 |
460 |
8.0 |
711.2 |
465 |
60.3 |
628.6 |
24 |
|
146.7 |
|
|
147.6 |
| 20 |
508 |
585 |
511 |
8.5 |
774.7 |
517 |
63.5 |
685.8 |
|
180.0 |
|
|
181.7 |
| 24 |
610 |
685 |
613 |
14 |
60 |
10.5 |
914.4 |
619 |
69.8 |
812.8 |
41.3 |
256.9 |
|
|
259.4 |
| *16bar and 20bar are oneness from 1/2″ to 4″ |
COMPOSITE WELDING NECK FLANGES (LONG TYPE)
- 16bar and 20bar
-
- MATERIAL
-
- Internal : Cu-Ni 90/10, Cu-Ni 70/30
- External : Carbon Steel (A105 Galvanized)
-
- DIMENSION
-
- Internal : EEMUA Pub. No. 145
- External : ASME B16.5 150LB

| N.D |
O.D |
Internal Flange |
External Flange |
Bolt-Hole |
Weight |
| d |
d1 |
d2 |
t |
t1 |
S |
D |
D1 |
T |
C |
N |
H |
| Inch |
(mm) |
(mm) |
(mm) |
(mm) |
(mm) |
(mm) |
(mm) |
(mm) |
(mm) |
(mm) |
|
(mm) |
(Kg) |
| *1/2 |
16 |
40 |
18 |
4 |
51 |
2.0 |
88.9 |
21 |
11.1 |
60.3 |
4 |
15.9 |
0.85 |
| *3/4 |
25 |
50 |
27 |
5 |
98.4 |
30 |
12.7 |
69.9 |
1.04 |
| *1 |
30 |
60 |
32 |
2.5 |
107.9 |
35 |
14.3 |
79.4 |
1.18 |
| *1 1/4 |
38 |
70 |
40 |
117.5 |
43 |
15.9 |
88.9 |
1.52 |
| *1 1/2 |
44.5 |
80 |
46.5 |
6 |
127 |
49.5 |
17.5 |
98.4 |
1.79 |
| *2 |
57 |
99 |
59 |
64 |
152.4 |
62 |
19 |
120.6 |
19.1 |
2.75 |
| *2 1/2 |
76.1 |
120 |
78 |
177.8 |
81 |
22.2 |
139.7 |
3.81 |
| *3 |
88.9 |
130 |
91 |
7 |
190.5 |
94 |
23.8 |
152.4 |
4.39 |
| *4 |
108 |
158 |
110 |
76 |
3.0 |
228.6 |
113 |
190.5 |
8 |
6.96 |
| 6 |
159 |
212 |
161.5 |
9 |
89 |
279.4 |
165 |
25.4 |
241.3 |
22.2 |
10.63 |
|
|
10.63 |
| 8 |
219.1 |
270 |
222 |
102 |
4.0 |
342.9 |
226 |
28.6 |
298.4 |
16.53 |
|
|
16.63 |
| 10 |
267 |
320 |
270 |
127 |
4.5 |
406.4 |
274 |
30.2 |
361.9 |
12 |
25.4 |
23.01 |
|
|
23.31 |
| 12 |
323.9 |
370 |
327 |
11 |
152 |
5.5 |
482.6 |
331 |
31.7 |
431.8 |
34.92 |
|
|
35.22 |
| 14 |
368 |
430 |
371 |
6.5 |
533.4 |
375 |
34.9 |
476.2 |
28.6 |
51.55 |
|
|
52.30 |
| 16 |
419.1 |
482 |
422 |
12 |
7.0 |
596.9 |
427 |
36.5 |
539.7 |
16 |
66.04 |
|
|
67.19 |
| 18 |
457.2 |
530 |
460 |
8.0 |
635 |
465 |
39.7 |
577.8 |
31.7 |
76.13 |
|
|
77.08 |
| 20 |
508 |
585 |
511 |
8.5 |
698.5 |
517 |
42.9 |
635 |
20 |
95.72 |
|
|
97.42 |
| 24 |
610 |
685 |
613 |
14 |
10.5 |
812.8 |
619 |
47.6 |
749.3 |
34.9 |
136.4 |
|
|
138.9 |
| *16bar and 20bar are oneness from 1/2″ to 4″ |
COMPOSITE WELDING NECK FLANGES (LONG TYPE)
- 16bar and 20bar
-
- MATERIAL
-
- Internal : Cu-Ni 90/10, Cu-Ni 70/30
- External : Carbon Steel (A105 Galvanized)
-
- DIMENSION
-
- Internal : EEMUA Pub. No. 145
- External : ASME B16.5 300LB

| N.D |
O.D |
Internal Flange |
External Flange |
Bolt-Hole |
Weight |
| d |
d1 |
d2 |
t |
t1 |
S |
D |
D1 |
T |
C |
N |
H |
| Inch |
(mm) |
(mm) |
(mm) |
(mm) |
(mm) |
(mm) |
(mm) |
(mm) |
(mm) |
(mm) |
|
(mm) |
(Kg) |
| *1/2 |
16 |
40 |
18 |
4 |
51 |
2.0 |
95.2 |
21 |
14.3 |
66.7 |
4 |
15.9 |
1.25 |
| *3/4 |
25 |
50 |
27 |
5 |
117.5 |
30 |
15.9 |
82.5 |
19.1 |
1.43 |
| *1 |
30 |
60 |
32 |
2.5 |
123.8 |
35 |
17.5 |
88.9 |
1.57 |
| *1 1/4 |
38 |
70 |
40 |
133.3 |
43 |
19.0 |
98.4 |
2.01 |
| *1 1/2 |
44.5 |
80 |
46.5 |
6 |
155.6 |
49.5 |
20.6 |
114.3 |
22.2 |
3.07 |
| *2 |
57 |
99 |
59 |
64 |
165.1 |
62 |
22.2 |
127 |
8 |
19.1 |
3.64 |
| *2 1/2 |
76.1 |
120 |
78 |
190.5 |
81 |
25.4 |
149.2 |
22.2 |
5.08 |
| *3 |
88.9 |
130 |
91 |
7 |
209.5 |
94 |
28.6 |
168.3 |
6.64 |
| *4 |
108 |
158 |
110 |
76 |
3.0 |
254.0 |
113 |
31.7 |
200 |
10.98 |
| 6 |
159 |
212 |
161.5 |
9 |
89 |
317.5 |
165 |
36.5 |
269.9 |
12 |
19.55 |
|
|
19.55 |
| 8 |
219.1 |
270 |
222 |
102 |
4.0 |
381.0 |
226 |
41.3 |
330.2 |
25.4 |
28.97 |
|
|
29.07 |
| 10 |
267 |
320 |
270 |
127 |
4.5 |
444.5 |
274 |
47.6 |
387.3 |
16 |
28.6 |
44.08 |
|
|
44.38 |
| 12 |
323.9 |
370 |
327 |
11 |
152 |
5.5 |
520.7 |
331 |
50.8 |
450.8 |
31.7 |
68.24 |
|
|
68.54 |
| 14 |
368 |
430 |
371 |
6.5 |
584.2 |
375 |
54.0 |
514.3 |
20 |
|
91.73 |
|
|
92.48 |
| 16 |
419.1 |
482 |
422 |
12 |
7.0 |
647.7 |
427 |
57.1 |
571.5 |
34.9 |
116.0 |
|
|
117.2 |
| 18 |
457.2 |
530 |
460 |
8.0 |
711.2 |
465 |
60.3 |
628.6 |
24 |
|
146.7 |
|
|
147.6 |
| 20 |
508 |
585 |
511 |
8.5 |
774.7 |
517 |
63.5 |
685.8 |
|
180.0 |
|
|
181.7 |
| 24 |
610 |
685 |
613 |
14 |
10.5 |
914.4 |
619 |
69.8 |
812.8 |
41.3 |
256.9 |
|
|
259.4 |
| *16bar and 20bar are oneness from 1/2″ to 4″ |
SOLID BLIND FLANGES
- 10Bar
-
- MATERIAL
- Cu-Ni 90/10, Cu-Ni 70/30
-
- DIMENSION
- ISO NP10

| Outside diameter |
FLANGE |
Drilling |
Weight |
| of pipe |
of Bolt-Hole |
| Nominal |
Actual |
D1 |
t |
D2 |
C |
N |
Φd |
(Kg) |
| (Inch) |
(mm) |
(mm) |
(mm) |
(mm) |
(mm) |
(mm) |
| 1/2 |
20.0 |
95 |
14 |
46 |
65 |
4 |
14 |
0.8 |
| 3/4 |
25.0 |
105 |
16 |
56 |
75 |
1.2 |
| 1 |
30.0 |
115 |
65 |
85 |
1.4 |
| 1 1/4 |
38.0 |
140 |
18 |
76 |
100 |
18 |
2.1 |
| 1 1/2 |
44.5 |
150 |
84 |
110 |
2.4 |
| 2 |
57.0 |
165 |
20 |
99 |
125 |
3.3 |
| 2 1/2 |
76.1 |
185 |
118 |
145 |
4.2 |
| 3 |
88.9 |
200 |
132 |
160 |
8 |
5.8 |
| 4 |
108.0 |
220 |
22 |
156 |
180 |
7.1 |
| 5 |
133.0 |
250 |
184 |
210 |
10.1 |
| 6 |
159.0 |
285 |
24 |
211 |
240 |
22 |
13.0 |
| 8 |
219.1 |
340 |
266 |
295 |
20.4 |
| 10 |
267.0 |
395 |
26 |
319 |
350 |
12 |
30.0 |
| 12 |
323.9 |
445 |
370 |
400 |
37.6 |
| 14 |
368.0 |
505 |
429 |
460 |
16 |
52.5 |
| 16 |
419.0 |
565 |
28 |
480 |
515 |
26 |
68.4 |
| 18 |
457.2 |
615 |
530 |
565 |
20 |
81.0 |
| 20 |
508.0 |
670 |
30 |
582 |
620 |
103.8 |
| 24 |
610.0 |
780 |
34 |
682 |
725 |
30 |
149.5 |
SOLID BLIND FLANGES
- 150Lbs
-
- MATERIAL
- Cu-Ni 90/10, Cu-Ni 70/30
-
- DIMENSION
- ASME B16.5

| Outside diameter |
FLANGE |
Drilling |
Weight |
| of pipe |
of Bolt-Hole |
| Nominal |
Actual |
D1 |
t |
D2 |
C |
N |
Φd |
(Kg) |
| (Inch) |
(mm) |
(mm) |
(mm) |
(mm) |
(mm) |
(mm) |
| 1/2 |
20.0 |
88.9 |
11.1 |
34.9 |
60.3 |
4 |
15.9 |
0.9 |
| 3/4 |
25.0 |
98.6 |
12.7 |
42.9 |
69.9 |
1.1 |
| 1 |
30.0 |
107.9 |
14.3 |
50.8 |
79.4 |
0.2 |
| 1 1/4 |
38.0 |
117.5 |
15.9 |
63.5 |
88.9 |
1.5 |
| 1 1/2 |
44.5 |
127 |
17.5 |
73 |
98.4 |
1.6 |
| 2 |
57.0 |
152.4 |
19.1 |
92.1 |
120.6 |
19.1 |
2.1 |
| 2 1/2 |
76.1 |
177.8 |
22.2 |
104.8 |
139.7 |
3.7 |
| 3 |
88.9 |
190.5 |
23.8 |
127 |
152.4 |
4.6 |
| 4 |
108.0 |
228.6 |
157.2 |
190.5 |
8 |
9.1 |
| 5 |
133.0 |
254 |
185.7 |
215.9 |
22.2 |
10.3 |
| 6 |
159.0 |
279.4 |
25.4 |
215.9 |
241.3 |
13.7 |
| 8 |
219.1 |
342.9 |
28.6 |
269.9 |
298.4 |
22.8 |
| 10 |
267.0 |
406.4 |
30.2 |
323.8 |
362.0 |
12 |
25.4 |
36.5 |
| 12 |
323.9 |
482.6 |
31.8 |
381 |
431.8 |
57.0 |
| 14 |
368.0 |
533.4 |
34.9 |
412.8 |
476.2 |
28.6 |
67.3 |
| 16 |
419.0 |
596.9 |
36.5 |
469.9 |
539.8 |
16 |
87.8 |
| 18 |
457.2 |
635 |
39.7 |
533.4 |
577.9 |
31.8 |
108.3 |
| 20 |
508.0 |
698.5 |
42.9 |
584.2 |
635.0 |
20 |
140.3 |
| 24 |
610.0 |
812.8 |
47.6 |
692.1 |
749.3 |
34.9 |
212.1 |
SOLID BLIND FLANGES
- 300Lbs
-
- MATERIAL
- Cu-Ni 90/10, Cu-Ni 70/30
-
- DIMENSION
- I

| Outside diameter |
FLANGE |
Drilling |
Weight |
| of pipe |
of Bolt-Hole |
| Nominal |
Actual |
D1 |
t |
D2 |
C |
N |
Φd |
(Kg) |
| (Inch) |
(mm) |
(mm) |
(mm) |
(mm) |
(mm) |
(mm) |
| 1/2 |
16.0 |
95.2 |
14.3 |
34.9 |
66.7 |
4 |
15.9 |
1.2 |
| 3/4 |
25.0 |
117.5 |
15.9 |
42.9 |
82.6 |
19.0 |
1.7 |
| 1 |
30.0 |
123.8 |
17.5 |
50.8 |
88.9 |
2.3 |
| 1 1/4 |
38.0 |
133.3 |
19 |
63.5 |
98.4 |
2.9 |
| 1 1/2 |
44.5 |
155.6 |
20.6 |
73 |
114.3 |
22.2 |
3.4 |
| 2 |
57.0 |
165.1 |
22.2 |
92.1 |
127.0 |
8 |
19.0 |
4.0 |
| 2 1/2 |
76.1 |
190.5 |
25.4 |
104.8 |
149.2 |
22.2 |
6.3 |
| 3 |
88.9 |
209.5 |
28.6 |
127 |
168.3 |
8.0 |
| 4 |
108.0 |
254.0 |
31.8 |
157.2 |
200.0 |
13.7 |
| 5 |
133.0 |
279.4 |
34.9 |
185.7 |
235.0 |
18.3 |
| 6 |
159.0 |
317.5 |
36.5 |
215.9 |
269.9 |
12 |
26.2 |
| 8 |
219.1 |
381.0 |
41.3 |
269.9 |
330.2 |
25.4 |
41.6 |
| 10 |
267.0 |
444.5 |
47.6 |
323.8 |
387.4 |
16 |
28.6 |
66.6 |
| 12 |
323.9 |
520.7 |
50.8 |
381 |
450.8 |
31.7 |
94.6 |
| 14 |
368.0 |
584.2 |
54 |
412.8 |
514.4 |
20 |
122.0 |
| 16 |
419.0 |
647.7 |
57.2 |
469.9 |
571.5 |
34.9 |
158.5 |
| 18 |
457.2 |
711.2 |
60.3 |
533.4 |
628.6 |
24 |
201.8 |
| 20 |
508.0 |
774.7 |
63.5 |
584.2 |
685.8 |
254.2 |
| 24 |
610.0 |
914.4 |
69.8 |
692.1 |
812.8 |
41.3 |
389.9 |
SOLID SLIP ON FLANGES
- 10Bar
-
- MATERIAL
- Cu-Ni 90/10, Cu-Ni 70/30
-
- DIMENSION
- DIN 86033

| Outside diameter |
FLANGE |
Drilling |
Weight |
| of pipe |
of Bolt-Hole |
| Nominal |
Actual |
D3 |
H |
H1 |
D2 |
D1 |
R |
C |
N |
Φd |
(Kg) |
| (Inch) |
(mm) |
(mm) |
(mm) |
(mm) |
(mm) |
(mm) |
(mm) |
(mm) |
(mm) |
| 1/2 |
20.0 |
95 |
18 |
12 |
30 |
20.2 |
45 |
65 |
4 |
14 |
0.6 |
| 3/4 |
25.0 |
105 |
35 |
25.2 |
58 |
75 |
0.7 |
| 1 |
30.0 |
115 |
40 |
30.2 |
68 |
85 |
0.9 |
| 1 1/4 |
38.0 |
140 |
20 |
14 |
49 |
38.3 |
78 |
100 |
18 |
1.5 |
| 1 1/2 |
44.5 |
150 |
56 |
44.8 |
88 |
110 |
1.6 |
| 2 |
57.0 |
165 |
22 |
16 |
69 |
57.3 |
102 |
125 |
2.2 |
| 2 1/2 |
76.1 |
185 |
88 |
76.3 |
122 |
145 |
2.7 |
| 3 |
88.9 |
200 |
24 |
18 |
101 |
89.4 |
138 |
160 |
8 |
3.3 |
| 4 |
108.0 |
220 |
28 |
20 |
120 |
108.4 |
158 |
180 |
4.3 |
| 5 |
133.0 |
250 |
146 |
133.7 |
188 |
210 |
5.4 |
| 6 |
159.0 |
285 |
30 |
22 |
172 |
159.7 |
212 |
240 |
23 |
6.4 |
| 8 |
219.1 |
340 |
32 |
24 |
234 |
220.0 |
268 |
295 |
9.1 |
| 10 |
267.0 |
395 |
34 |
26 |
284 |
268.2 |
320 |
350 |
12 |
12.1 |
| 12 |
323.9 |
445 |
36 |
343 |
325.4 |
370 |
400 |
13.7 |
| 14 |
368.0 |
505 |
38 |
28 |
389 |
369.4 |
430 |
460 |
16 |
19.3 |
| 16 |
419.0 |
565 |
40 |
442 |
420.5 |
482 |
515 |
27 |
23.2 |
| 18 |
457.2 |
615 |
42 |
482 |
458.5 |
530 |
565 |
20 |
27.9 |
| 20 |
508.0 |
670 |
47 |
31 |
535 |
509.5 |
585 |
620 |
35.0 |
| 24 |
610.0 |
780 |
49 |
640 |
612.0 |
685 |
725 |
30 |
42.9 |
SOLID SLIP ON FLANGES
- 16Bar / 20Bar
-
- MATERIAL
- Cu-Ni 90/10, Cu-Ni 70/30
-
- DIMENSION
- EEMUA Pub. No. 145

| Outside diameter |
FLANGE |
Drilling |
Weight |
| of pipe |
of Bolt-Hole |
| Nominal |
Actual |
D3 |
H |
H1 |
D1 |
D2 |
R |
C |
N |
Φd |
(Kg) |
| (Inch) |
(mm) |
(mm) |
(mm) |
(mm) |
(mm) |
(mm) |
(mm) |
(mm) |
(mm) |
| 1/2 |
16.0 |
89 |
20 |
14 |
16.07 |
23 |
34.9 |
60.3 |
4 |
15.9 |
1.2 |
| 3/4 |
25.0 |
98 |
24 |
16 |
25.08 |
32 |
42.9 |
69.8 |
1.2 |
| 1 |
30.0 |
108 |
30.38 |
47 |
50.8 |
79.4 |
1.3 |
| 1 1/4 |
38.0 |
117 |
26 |
17 |
38.10 |
51 |
63.5 |
88.9 |
1.7 |
| 1 1/2 |
44.5 |
127 |
26 |
20 |
44.60 |
61 |
73 |
98.4 |
1.8 |
| 2 |
57.0 |
152 |
28 |
25 |
57.23 |
73 |
92.1 |
120.6 |
19.0 |
2.9 |
| 2 1/2 |
76.1 |
178 |
32 |
27 |
76.33 |
91 |
104.8 |
139.7 |
4.3 |
| 3 |
88.9 |
190 |
34 |
89.13 |
105 |
127 |
152.4 |
4.4 |
| 4 |
108.0 |
229 |
40 |
108.38 |
135 |
157.2 |
190.5 |
8 |
7.3 |
SOLID SLIP ON FLANGES
- 150Lbs
-
- MATERIAL
- Cu-Ni 90/10, Cu-Ni 70/30
-
- DIMENSION
- ASME B16.5

| Outside diameter |
FLANGE |
Drilling |
Weight |
| of pipe |
of Bolt-Hole |
| Nominal |
Actual |
D3 |
H |
H1 |
D2 |
D1 |
R |
C |
N |
Φd |
(Kg) |
| (Inch) |
(mm) |
(mm) |
(mm) |
(mm) |
(mm) |
(mm) |
(mm) |
(mm) |
(mm) |
| 1/2 |
16.0 |
88.9 |
15.7 |
11.1 |
30.2 |
16.2 |
34.9 |
60.3 |
4 |
15.9 |
0.9 |
| 20.0 |
16.2 |
0.8 |
| 3/4 |
25.0 |
98.6 |
12.7 |
38.1 |
25.2 |
42.9 |
69.9 |
1.1 |
| 1 |
30.0 |
107.9 |
17.5 |
14.3 |
49.2 |
30.2 |
50.8 |
79.4 |
1.2 |
| 1 1/4 |
38.0 |
117.5 |
20.6 |
15.9 |
58.7 |
38.3 |
63.5 |
88.9 |
1.5 |
| 1 1/2 |
44.5 |
127 |
22.2 |
17.5 |
65.1 |
44.8 |
73.0 |
98.4 |
1.6 |
| 2 |
57.0 |
152.4 |
25.4 |
19.1 |
77.8 |
57.4 |
92.1 |
120.6 |
19.1 |
2.7 |
| 2 1/2 |
76.1 |
177.8 |
28.6 |
22.2 |
90.5 |
76.5 |
104.8 |
139.7 |
3.9 |
| 3 |
88.9 |
190.5 |
30.2 |
23.8 |
107.9 |
89.4 |
127.0 |
152.4 |
4.7 |
| 4 |
108.0 |
228.6 |
33.3 |
134.9 |
108.5 |
157.2 |
190.5 |
8 |
6.7 |
| 5 |
133.0 |
254 |
36.5 |
163.5 |
133.7 |
185.7 |
215.9 |
22.2 |
8.0 |
| 6 |
159.0 |
279.4 |
39.6 |
25.4 |
192.1 |
159.7 |
215.9 |
241.3 |
9.9 |
| 8 |
219.1 |
342.9 |
44.5 |
28.6 |
246.1 |
220.1 |
269.9 |
298.4 |
15.7 |
| 10 |
267.0 |
406.4 |
49.2 |
30.2 |
304.8 |
268.0 |
323.8 |
362.0 |
12 |
25.4 |
22.8 |
| 12 |
323.9 |
482.6 |
55.6 |
31.8 |
365.1 |
324.9 |
381.0 |
431.8 |
33.9 |
| 14 |
368.0 |
533.4 |
57.2 |
34.9 |
400.0 |
369.5 |
412.8 |
476.2 |
28.6 |
45.0 |
| 16 |
419.0 |
596.9 |
63.5 |
36.5 |
457.2 |
420.5 |
469.9 |
539.8 |
16 |
49.0 |
| 18 |
457.2 |
635 |
68.3 |
39.7 |
504.8 |
458.7 |
533.4 |
577.9 |
31.8 |
63.0 |
| 20 |
508.0 |
698.5 |
73.0 |
42.9 |
558.8 |
509.5 |
584.2 |
635.0 |
20 |
81.5 |
| 24 |
610.0 |
812.8 |
82.5 |
47.6 |
663.6 |
611.5 |
692.1 |
749.3 |
34.9 |
105.6 |
SOLID SLIP ON FLANGES
- 300Lbs
-
- MATERIAL
- Cu-Ni 90/10, Cu-Ni 70/30
-
- DIMENSION
- ASME B16.5

| Outside diameter |
FLANGE |
Drilling |
Weight |
| of pipe |
of Bolt-Hole |
| Nominal |
Actual |
D3 |
H |
H1 |
D2 |
D1 |
R |
C |
N |
Φd |
(Kg) |
| (Inch) |
(mm) |
(mm) |
(mm) |
(mm) |
(mm) |
(mm) |
(mm) |
(mm) |
(mm) |
| 1/2 |
16.0 |
95.2 |
22.2 |
14.3 |
38.1 |
16.2 |
34.9 |
66.7 |
4 |
15.9 |
0.9 |
| 20.0 |
20.2 |
0.8 |
| 3/4 |
25.0 |
117.5 |
25.4 |
15.9 |
47.6 |
25.2 |
42.9 |
82.6 |
19 |
1.4 |
| 1 |
30.0 |
123.8 |
27 |
17.5 |
54 |
30.2 |
50.8 |
88.9 |
1.7 |
| 1 1/4 |
38.0 |
133.3 |
19.0 |
63.5 |
38.3 |
63.5 |
98.4 |
2.1 |
| 1 1/2 |
44.5 |
155.6 |
30.2 |
20.6 |
69.8 |
44.8 |
73.0 |
114.3 |
22.2 |
3.1 |
| 2 |
57.0 |
165.1 |
33.3 |
22.2 |
84.1 |
57.4 |
92.1 |
127.0 |
8 |
19 |
3.6 |
| 2 1/2 |
76.1 |
190.5 |
38.1 |
25.4 |
100 |
76.5 |
104.8 |
149.2 |
22.2 |
5.1 |
| 3 |
88.9 |
209.5 |
42.9 |
28.6 |
117.5 |
89.4 |
127.0 |
168.3 |
7.0 |
| 4 |
108.0 |
254.0 |
47.6 |
31.8 |
146.1 |
108.5 |
157.2 |
200.0 |
12.0 |
| 5 |
133.0 |
279.4 |
50.8 |
34.9 |
177.8 |
133.7 |
185.7 |
235.0 |
14.2 |
| 6 |
159.0 |
317.5 |
52.4 |
36.5 |
206.4 |
159.7 |
215.9 |
269.9 |
12 |
19.8 |
| 8 |
219.1 |
381.0 |
61.9 |
41.3 |
260.4 |
220.1 |
269.9 |
330.2 |
25.4 |
28.8 |
| 10 |
267.0 |
444.5 |
66.7 |
47.6 |
320.7 |
268.0 |
323.8 |
387.4 |
16 |
28.6 |
42.1 |
| 12 |
323.9 |
520.7 |
73 |
50.8 |
374.6 |
324.9 |
381.0 |
450.8 |
31.7 |
59.1 |
| 14 |
368.0 |
584.2 |
76.2 |
54.0 |
425.4 |
369.5 |
412.8 |
514.4 |
20 |
77.6 |
| 16 |
419.0 |
647.7 |
82.5 |
57.2 |
482.6 |
420.5 |
469.9 |
571.5 |
34.9 |
98.4 |
| 18 |
457.2 |
711.2 |
88.9 |
60.3 |
533.3 |
458.7 |
533.4 |
628.6 |
24 |
128.5 |
| 20 |
508.0 |
774.7 |
95.2 |
63.5 |
587.4 |
509.5 |
584.2 |
685.8 |
154.7 |
| 24 |
610.0 |
914.4 |
106.4 |
69.8 |
701.7 |
611.5 |
692.1 |
812.8 |
41.3 |
240.7 |
SOLID SOCKET WELDING FLANGES
- 150Lbs / 300Lbs
-
- MATERIAL
- Cu-Ni 90/10, Cu-Ni 70/30
-
- DIMENSION
- ASME B16.5

| Outside diameter |
FLANGE |
Drilling |
Weight |
| of pipe |
of Bolt-Hole |
| Nominal |
Actual |
D3 |
H |
H1 |
D1 |
D2 |
R |
Y |
C |
N |
Φd |
(Kg) |
| (Inch) |
(mm) |
(mm) |
(mm) |
(mm) |
(mm) |
(mm) |
(mm) |
(mm) |
(mm) |
(mm) |
| 1/2 |
16.0 |
88.9 |
15.7 |
11.1 |
16.2 |
30.2 |
34.9 |
9.5 |
60.3 |
4 |
15.9 |
0.9 |
| 20.0 |
20.2 |
0.8 |
| 3/4 |
25.0 |
98.6 |
12.7 |
25.2 |
38.1 |
42.9 |
11.1 |
69.9 |
1.4 |
| 1 |
30.0 |
107.9 |
17.5 |
14.3 |
30.2 |
49.2 |
50.8 |
12.7 |
79.4 |
1.7 |
| 1 1/4 |
38.0 |
117.5 |
20.6 |
15.9 |
38.3 |
58.7 |
63.5 |
14.3 |
88.9 |
2.1 |
| 1 1/2 |
44.5 |
127 |
22.2 |
17.5 |
44.8 |
65.1 |
73.0 |
15.9 |
98.4 |
3.1 |
| 2 |
57.0 |
152.4 |
25.4 |
19.1 |
57.4 |
77.8 |
92.1 |
17.5 |
120.6 |
19.1 |
3.6 |
| 2 1/2 |
76.1 |
177.8 |
28.6 |
22.2 |
76.5 |
90.5 |
104.8 |
19.1 |
139.7 |
5.1 |
| 3 |
88.9 |
190.5 |
30.2 |
23.8 |
89.4 |
107.9 |
127.0 |
20.6 |
152.4 |
7.0 |
| 4 |
108.0 |
228.6 |
33.3 |
108.5 |
134.9 |
157.2 |
23.8 |
190.5 |
8 |
12.0 |
| Outside diameter |
FLANGE |
Drilling |
Weight |
| of pipe |
of Bolt-Hole |
| Nominal |
Actual |
D3 |
H |
H1 |
D1 |
D2 |
R |
Y |
C |
N |
Φd |
(Kg) |
| (Inch) |
(mm) |
(mm) |
(mm) |
(mm) |
(mm) |
(mm) |
(mm) |
(mm) |
(mm) |
(mm) |
| 1/2 |
16.0 |
95.2 |
22.2 |
14.3 |
16.2 |
38.1 |
34.9 |
9.5 |
66.7 |
4 |
15.9 |
0.9 |
| 20.0 |
20.2 |
0.8 |
| 3/4 |
25.0 |
117.5 |
25.4 |
15.9 |
25.2 |
47.6 |
42.9 |
11.1 |
82.6 |
19 |
1.4 |
| 1 |
30.0 |
123.8 |
27 |
17.5 |
30.2 |
54 |
50.8 |
12.7 |
88.9 |
1.7 |
| 1 1/4 |
38.0 |
133.3 |
19.0 |
38.3 |
63.5 |
63.5 |
14.3 |
98.4 |
2.1 |
| 1 1/2 |
44.5 |
155.6 |
30.2 |
20.6 |
44.8 |
69.8 |
73.0 |
15.9 |
114.3 |
22.2 |
3.1 |
| 2 |
57.0 |
165.1 |
33.3 |
22.2 |
57.4 |
84.1 |
92.1 |
17.5 |
127.0 |
8 |
19.0 |
3.6 |
| 2 1/2 |
76.1 |
190.5 |
38.1 |
25.4 |
76.5 |
100 |
104.8 |
19.1 |
149.2 |
22.2 |
5.1 |
| 3 |
88.9 |
209.5 |
42.9 |
28.6 |
89.4 |
117.5 |
127.0 |
20.6 |
168.3 |
7.0 |
| 4 |
108.0 |
254.0 |
47.6 |
31.8 |
108.5 |
146.1 |
157.2 |
23.8 |
200.0 |
12.0 |
SOLID WELDING NECK FLANGES
- 10Bar
-
- MATERIAL
- Cu-Ni 90/10, Cu-Ni 70/30
-
- DIMENSION
- DIN 2632

| Outside diameter |
FLANGE |
Drilling |
Weight |
| of pipe (D) |
of Bolt-Hole |
| Nominal |
Actual |
D3 |
H |
H2 |
D2 |
D1 |
H1 |
C |
N |
Φd |
(Kg) |
| (Inch) |
(mm) |
(mm) |
(mm) |
(mm) |
(mm) |
(mm) |
(mm) |
(mm) |
(mm) |
| 1/2 |
20.0 |
95 |
95 |
14 |
30 |
To be specified by thickness of suitable pipe |
6 |
65 |
4 |
14 |
0.7 |
| 3/4 |
25.0 |
105 |
38 |
16 |
38 |
75 |
1.1 |
| 1 |
30.0 |
115 |
42 |
85 |
1.3 |
| 1 1/4 |
38.0 |
140 |
40 |
52 |
100 |
18 |
1.9 |
| 1 1/2 |
44.5 |
150 |
42 |
60 |
7 |
110 |
2.1 |
| 2 |
57.0 |
165 |
45 |
18 |
72 |
8 |
125 |
2.9 |
| 2 1/2 |
76.1 |
185 |
90 |
10 |
145 |
3.5 |
| 3 |
88.9 |
200 |
50 |
20 |
105 |
160 |
8 |
4.2 |
| 4 |
108.0 |
220 |
52 |
125 |
12 |
180 |
5.3 |
| 5 |
133.0 |
250 |
55 |
22 |
150 |
210 |
7.2 |
| 6 |
159.0 |
285 |
175 |
240 |
22 |
8.8 |
| 8 |
219.1 |
340 |
62 |
24 |
235 |
16 |
295 |
8 |
12.8 |
| 10 |
267.0 |
395 |
68 |
26 |
285 |
350 |
12 |
16.7 |
| 12 |
323.9 |
445 |
344 |
400 |
19.8 |
| 14 |
368.0 |
505 |
385 |
460 |
16 |
26.8 |
| 16 |
419.0 |
565 |
72 |
440 |
515 |
26 |
32.5 |
| 20 |
508.0 |
670 |
75 |
28 |
542 |
620 |
20 |
43.3 |
| 24 |
610.0 |
780 |
80 |
642 |
18 |
725 |
30 |
50.7 |
SOLID WELDING NECK FLANGES
- 16Bar
-
- MATERIAL
- Cu-Ni 90/10, Cu-Ni 70/30
-
- DIMENSION
- DIN 2633

| Outside diameter |
FLANGE |
Drilling |
Weight |
| of pipe (D) |
of Bolt-Hole |
| Nominal |
Actual |
D3 |
H |
H2 |
D2 |
D1 |
H1 |
C |
N |
Φd |
(Kg) |
| (Inch) |
(mm) |
(mm) |
(mm) |
(mm) |
(mm) |
(mm) |
(mm) |
(mm) |
(mm) |
| 1/2 |
20.0 |
95 |
95 |
14 |
30 |
To be specified by thickness of suitable pipe |
6 |
65 |
4 |
14 |
0.7 |
| 3/4 |
25.0 |
105 |
38 |
16 |
38 |
75 |
1.1 |
| 1 |
30.0 |
115 |
42 |
85 |
1.3 |
| 1 1/4 |
38.0 |
140 |
40 |
52 |
100 |
18 |
1.9 |
| 1 1/2 |
44.5 |
150 |
42 |
60 |
7 |
110 |
2.1 |
| 2 |
57.0 |
165 |
45 |
18 |
72 |
8 |
125 |
2.9 |
| 2 1/2 |
76.1 |
185 |
90 |
10 |
145 |
3.5 |
| 3 |
88.9 |
200 |
50 |
20 |
105 |
160 |
8 |
4.2 |
| 4 |
108.0 |
220 |
52 |
125 |
12 |
180 |
5.3 |
| 5 |
133.0 |
250 |
55 |
22 |
150 |
210 |
7.2 |
| 6 |
159.0 |
285 |
175 |
240 |
22 |
8.8 |
| 8 |
219.1 |
340 |
62 |
24 |
235 |
16 |
295 |
12 |
12.5 |
| 10 |
267.0 |
405 |
70 |
26 |
285 |
355 |
26 |
17.7 |
| 12 |
323.9 |
460 |
78 |
28 |
344 |
410 |
25.0 |
| 14 |
368.0 |
520 |
82 |
30 |
390 |
470 |
16 |
35.5 |
| 16 |
419.0 |
580 |
85 |
32 |
445 |
525 |
30 |
45.2 |
| 20 |
508.0 |
715 |
90 |
34 |
548 |
650 |
20 |
33 |
69.3 |
| 24 |
610.0 |
840 |
95 |
36 |
652 |
18 |
770 |
36 |
85.7 |
SOLID WELDING NECK FLANGES
- 16Bar
-
- MATERIAL
- Cu-Ni 90/10, Cu-Ni 70/30
-
- DIMENSION
- EEMUA Pub. No. 145

| Outside diameter |
FLANGE |
Drilling |
Weight |
| of pipe (D) |
of Bolt-Hole |
| Nominal |
Actual |
D3 |
H |
H2 |
D2 |
D1 |
H1 |
C |
N |
Φd |
(Kg) |
| (Inch) |
(mm) |
(mm) |
(mm) |
(mm) |
(mm) |
(mm) |
(mm) |
(mm) |
(mm) |
| 1/2 |
16.0 |
89 |
48 |
14 |
23 |
12.0 |
8 |
60.3 |
4 |
15.9 |
0.6 |
| 3/4 |
25.0 |
98 |
52 |
16 |
32 |
21.0 |
7 |
69.8 |
0.9 |
| 1 |
30.0 |
108 |
56 |
42 |
25.0 |
8 |
79.4 |
1.3 |
| 1 1/4 |
38.0 |
117 |
57 |
17 |
51 |
33.0 |
88.9 |
1.7 |
| 1 1/2 |
44.5 |
127 |
62 |
20 |
61 |
39.5 |
7 |
98.4 |
2.1 |
| 2 |
57.0 |
152 |
64 |
25 |
73 |
52.0 |
9 |
120.6 |
19 |
3.1 |
| 2 1/2 |
76.1 |
178 |
70 |
27 |
91 |
71.1 |
8 |
139.7 |
4.6 |
| 3 |
88.9 |
190 |
105 |
83.9 |
152.4 |
5.5 |
| 4 |
108.0 |
229 |
76 |
135 |
102.0 |
190.5 |
8 |
9.5 |
| 6 |
159.0 |
279 |
89 |
192 |
153.0 |
241.3 |
22.2 |
13.7 |
| 8 |
219.1 |
343 |
98 |
31 |
246 |
211.1 |
298.4 |
21.2 |
| 10 |
267.0 |
406 |
305 |
258.0 |
362 |
12 |
25.4 |
29.5 |
| 12 |
323.9 |
483 |
35 |
365 |
312.9 |
431.8 |
44.8 |
| 14 |
368.0 |
533 |
99 |
41 |
400 |
355.0 |
476.2 |
28.6 |
57.3 |
| 16 |
419.0 |
597 |
106 |
43 |
457 |
405.1 |
539.8 |
16 |
74.4 |
| 18 |
457.2 |
635 |
113 |
45 |
505 |
441.2 |
577.8 |
31.8 |
88.2 |
| 20 |
508.0 |
698 |
118 |
559 |
491.0 |
635 |
20 |
106.2 |
| 24 |
610.0 |
813 |
137 |
49 |
664 |
589.0 |
749.3 |
34.9 |
153.2 |
SOLID WELDING NECK FLANGES
- 20Bar
-
- MATERIAL
- Cu-Ni 90/10, Cu-Ni 70/30
-
- DIMENSION
- EEMUA Pub. No. 145

| Outside diameter |
FLANGE |
Drilling |
Weight |
| of pipe (D) |
of Bolt-Hole |
| Nominal |
Actual |
D3 |
H |
H2 |
D2 |
D1 |
H1 |
C |
N |
Φd |
(Kg) |
| (Inch) |
(mm) |
(mm) |
(mm) |
(mm) |
(mm) |
(mm) |
(mm) |
(mm) |
(mm) |
| 1/2 |
16.0 |
89 |
48 |
14 |
23 |
12.0 |
8 |
60.3 |
4 |
15.9 |
0.6 |
| 3/4 |
25.0 |
98 |
52 |
16 |
32 |
21.0 |
7 |
69.8 |
0.9 |
| 1 |
30.0 |
108 |
56 |
42 |
25.0 |
8 |
79.4 |
1.3 |
| 1 1/4 |
38.0 |
117 |
57 |
17 |
51 |
33.0 |
88.9 |
1.7 |
| 1 1/2 |
44.5 |
127 |
62 |
20 |
61 |
39.5 |
7 |
98.4 |
2.1 |
| 2 |
57.0 |
152 |
64 |
25 |
73 |
52.0 |
9 |
120.6 |
19 |
3.1 |
| 2 1/2 |
76.1 |
178 |
70 |
27 |
91 |
71.1 |
8 |
139.7 |
4.6 |
| 3 |
88.9 |
190 |
105 |
83.9 |
152.4 |
5.5 |
| 4 |
108.0 |
229 |
76 |
135 |
102.0 |
190.5 |
8 |
9.5 |
| 6 |
159.0 |
279 |
89 |
192 |
152.0 |
241.3 |
22.2 |
14.0 |
| 8 |
219.1 |
343 |
98 |
31 |
246 |
210.1 |
298.4 |
21.6 |
| 10 |
267.0 |
406 |
305 |
256.0 |
362 |
12 |
25.4 |
30.5 |
| 12 |
323.9 |
483 |
35 |
365 |
309.9 |
431.8 |
46.6 |
| 14 |
368.0 |
533 |
99 |
41 |
400 |
352.0 |
476.2 |
28.6 |
59.5 |
| 16 |
419.0 |
597 |
106 |
43 |
457 |
401.1 |
539.8 |
16 |
79.0 |
| 18 |
457.2 |
635 |
113 |
45 |
505 |
438.2 |
577.8 |
31.8 |
91.1 |
| 20 |
508.0 |
698 |
118 |
559 |
486.0 |
635 |
20 |
110.7 |
| 24 |
610.0 |
813 |
137 |
49 |
664 |
584.0 |
749.3 |
34.9 |
160.8 |
SOLID WELDING NECK FLANGES
- 150Lbs
-
- MATERIAL
- Cu-Ni 90/10, Cu-Ni 70/30
-
- DIMENSION
- ASME B16.5

| Outside diameter |
FLANGE |
Drilling |
Weight |
| of pipe (D) |
of Bolt-Hole |
| Nominal |
Actual |
D3 |
H |
H2 |
D2 |
RF |
C |
N |
Φd |
(Kg) |
| (Inch) |
(mm) |
(mm) |
(mm) |
(mm) |
(mm) |
(mm) |
(mm) |
(mm) |
| 1/2 |
16.0 |
88.9 |
47.6 |
11.1 |
30.2 |
34.9 |
60.3 |
4 |
15.9 |
0.7 |
| 20.0 |
0.7 |
| 3/4 |
25.0 |
98.6 |
52.4 |
12.7 |
38.1 |
42.9 |
69.9 |
0.9 |
| 1 |
30.0 |
107.9 |
55.6 |
14.3 |
49.2 |
50.8 |
79.4 |
1.3 |
| 1 1/4 |
38.0 |
117.5 |
57.1 |
15.9 |
58.7 |
63.5 |
88.9 |
1.6 |
| 1 1/2 |
44.5 |
127 |
61.9 |
17.5 |
65.1 |
73.0 |
98.4 |
2.1 |
| 2 |
57.0 |
152.4 |
63.5 |
19.1 |
77.8 |
92.1 |
120.6 |
19.1 |
3.1 |
| 2 1/2 |
76.1 |
177.8 |
69.8 |
22.2 |
90.5 |
104.8 |
139.7 |
5.1 |
| 3 |
88.9 |
190.5 |
23.8 |
107.9 |
127.0 |
152.4 |
5.2 |
| 4 |
108.0 |
228.6 |
76.2 |
134.9 |
157.2 |
190.5 |
8 |
7.9 |
| 5 |
133.0 |
254 |
88.9 |
163.5 |
185.7 |
215.9 |
22.2 |
10.1 |
| 6 |
159.0 |
279.4 |
25.4 |
192.1 |
215.9 |
241.3 |
12.2 |
| 8 |
219.1 |
342.9 |
101.6 |
28.6 |
246.1 |
269.9 |
298.4 |
20.0 |
| 10 |
267.0 |
406.4 |
30.2 |
304.8 |
323.8 |
362.0 |
12 |
25.4 |
27.0 |
| 12 |
323.9 |
482.6 |
114.3 |
31.8 |
365.1 |
381.0 |
431.8 |
42.0 |
| 14 |
368.0 |
533.4 |
127 |
34.9 |
400.0 |
412.8 |
476.2 |
28.6 |
53.0 |
| 16 |
419.0 |
596.9 |
36.5 |
457.2 |
469.9 |
539.8 |
16 |
66.0 |
| 18 |
457.2 |
635 |
139.7 |
39.7 |
504.8 |
533.4 |
577.9 |
31.8 |
72.0 |
| 20 |
508.0 |
698.5 |
144.5 |
42.9 |
558.8 |
584.2 |
635.0 |
20 |
87.0 |
| 24 |
610.0 |
812.8 |
152.4 |
47.6 |
663.6 |
692.1 |
749.3 |
34.9 |
134.0 |
| * “D1” : To be specified by thickness of suitable pipe |
SOLID WELDING NECK FLANGES
- 300Lbs
-
- MATERIAL
- Cu-Ni 90/10, Cu-Ni 70/30
-
- DIMENSION
- ASME B16.5

| Outside diameter |
FLANGE |
Drilling |
Weight |
| of pipe (D) |
of Bolt-Hole |
| Nominal |
Actual |
D3 |
H |
H2 |
D2 |
RF |
C |
N |
Φd |
(Kg) |
| (Inch) |
(mm) |
(mm) |
(mm) |
(mm) |
(mm) |
(mm) |
(mm) |
(mm) |
| 1/2 |
16.0 |
95.2 |
52.4 |
14.3 |
38.1 |
34.9 |
66.7 |
4 |
15.9 |
1.7 |
| 20.0 |
1.7 |
| 3/4 |
25.0 |
117.5 |
57.1 |
15.9 |
47.6 |
42.9 |
82.6 |
19 |
2.1 |
| 1 |
30.0 |
123.8 |
61.9 |
17.5 |
54.0 |
50.8 |
88.9 |
2.3 |
| 1 1/4 |
38.0 |
133.3 |
65.1 |
19.0 |
63.5 |
63.5 |
98.4 |
2.9 |
| 1 1/2 |
44.5 |
155.6 |
68.3 |
20.6 |
69.8 |
73.0 |
114.3 |
22.2 |
4.0 |
| 2 |
57.0 |
165.1 |
69.8 |
22.2 |
84.1 |
92.1 |
127.0 |
8 |
19 |
4.6 |
| 2 1/2 |
76.1 |
190.5 |
76.2 |
25.4 |
100.0 |
104.8 |
149.2 |
22.2 |
5.7 |
| 3 |
88.9 |
209.5 |
79.4 |
28.6 |
117.5 |
127.0 |
168.3 |
8.0 |
| 4 |
108.0 |
254.0 |
85.7 |
31.8 |
146.1 |
157.2 |
200.0 |
12.6 |
| 5 |
133.0 |
279.4 |
98.4 |
34.9 |
177.8 |
185.7 |
235.0 |
17.9 |
| 6 |
159.0 |
317.5 |
98.4 |
36.5 |
206.4 |
215.9 |
269.9 |
12 |
21.8 |
| 8 |
219.1 |
381.0 |
111.1 |
41.3 |
260.4 |
269.9 |
330.2 |
25.4 |
34.4 |
| 10 |
267.0 |
444.5 |
117.5 |
47.6 |
320.7 |
323.8 |
387.4 |
16 |
28.6 |
47.0 |
| 12 |
323.9 |
520.7 |
130.2 |
50.8 |
374.6 |
381.0 |
450.8 |
31.7 |
71.0 |
| 14 |
368.0 |
584.2 |
142.9 |
54.0 |
425.4 |
412.8 |
514.4 |
20 |
96.2 |
| 16 |
419.0 |
647.7 |
146.1 |
57.2 |
482.6 |
469.9 |
571.5 |
34.9 |
127.1 |
| 18 |
457.2 |
711.2 |
158.7 |
60.3 |
533.3 |
533.4 |
628.6 |
24 |
158.0 |
| 20 |
508.0 |
774.7 |
161.9 |
63.5 |
587.4 |
584.2 |
685.8 |
195.8 |
| 24 |
610.0 |
914.4 |
168.3 |
69.8 |
701.7 |
692.1 |
812.8 |
41.3 |
283.0 |
| * “D1” : To be specified by thickness of suitable pipe |